Corporate
Dealer Locator
My Vehicle
Search Site
 
Premium Series: M8000
 
M8000 SELF-RECOVERY WINCH
Compact. Tough. An outstanding value. Available with a roller or hawse fairlead and your choice of 80 or 100' of 5/16" diameter wire rope, the M8000 pulls a fast 8ft. per minute at rated load. The 4.8 hp Series Wound motor delivers big torque and power. Includes an all-weather remote control on a 12' (3.7m) lead.

M8000 SPECS/PART NUMBERS
Part Number: PN 20910 (12V DC, CE) 80' wire rope and hawse fairlead
Part Number: PN 26502 (12V DC, CE) 100' wire rope and roller fairlead
Part Number: PN 265032 (24V DC, CE) 100' wire rope, roller fairlead, safety hook and thimble
Rated Line Pull: 8000 lbs. (3630 kgs.) single-line
Motor: 12V 4.8 hp, 24V 2.1 hp, Series WoundTM
Remote Control: Remote switch, 12' (3.7m) lead
Geartrain: 3-Stage Planetary
Gear Ratio: 216:1
Lubrication: Aeroshell #17
Clutch (freespooling): Sliding Ring Gear
Brake: Automatic Direct Drive Cone
Drum Diameter/Length: 2.5"/9.0" (6.4cm/23cm)
Weight: 74 lbs. (34 kgs.)
Wire Rope: 80', 5/16" diam. (24m, 8mm diam.) or 100', 5/16" diam. (30m, 8mm diam.)
Fairlead for PN 20910: Hawse
Fairlead for PN 26502, 265022, 265032: Roller
Recommended Battery: 650 CCA minimum for winching
Battery Leads: 2 gauge, 72" (1.83m)
Finish: Argent Gray Powder Coat
Nuts/Bolts: PN 39625

12V DC PERFORMANCE SPECS
Line Pull
Lbs.(Kgs.)
Line Speed
FT./min(M/min.)
Motor
Current
Pull by layer
layer/Lbs(Kgs.)
0 42(12.8) 80 amps 1/8000(3629)
2000(910) 16(4.88) 200 amps 2/7280(3302)
4000(1810) 11.9(3.63) 285 amps 3/6670(3026)
6000(2720) 9.79(2.98) 350 amps 4/6230(2826)
8000(3630) 8.01(2.44) 435 amps

24V DC PERFORMANCE SPECS
Line Pull
Lbs.(Kgs.)
Line Speed
FT./min(M/min.)
Motor
Current
Pull by layer
layer/Lbs(Kgs.)
0 27.3(8.32) 46 amps 1/8000(3629)
2000(910) 17.1(5.21) 99 amps 2/7460(3384)
4000(1810) 12.6(3.84) 145 amps 3/3980(3166)
6000(2720) 10.3(3.14) 190 amps 4/6620(3003)
8000(3630) 8.8(2.68) 235 amps
 
Above performance specs are based on first layer of drum


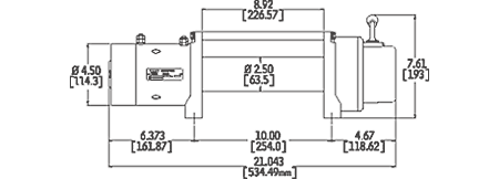
Winch Dimensions: 21.04" L. x 6.3" D. x 7.6" H.
(534mm L. x 160m D. x 193mm H.)
Mounting Bolt Pattern: 10.0" x 4.5" (254mm x 114.3mm)
 


Winching Techniques

 
Premium Series
» Long time best selling     
winches                      
» Competition grade power, speed and reliability    
» WARN Limited Lifetime    
Warranty                   

WARN® Mounting Systems
WARN Mounting Systems
& Bumpers

A powerful winch needs a powerful home.


Winch Mounts for JEEP
Mounts your WARN winch to the WARN Rock Crawler bumper, factory bumper or optional factory tube bumper.

Universal Flatbed Universal Flatbed Winch Mounting Plates
Mount your WARN winch to any appropriate flat surface.

Rigging Accessories
Accessories
Double your pulling power or change your pulling direction with these essential tools.

Soft Cover
Soft Cover
Provide maximum protection for your winch from weather and debris.


Off-Road Lights
Light your way out of any situation.

My Vehicle
Search for a Mounting System or other WARN products specific to your vehicle.